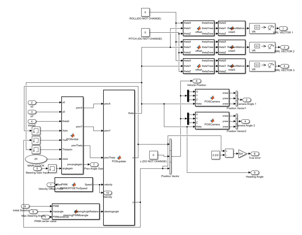
This Simulink model was created to practice creating controllers for autonomous lane keeping. Simulink allows for quick and easy testing of different types of controllers with little modifications to the program. The 3D environment for this simulator was created using the 3D vrml tool box.


